auch gekauft

UniversalUniversal
29,00 EUR
inkl. MwSt. zzgl. Versand
ST50 ST50G ST70
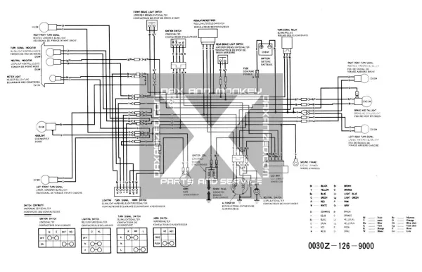
Kabelbaum Dax ST 6V
ST50 ST50G ST70
Preis bisher:  59,90 EUR
nur: 49,90 EUR
inkl. MwSt. zzgl. Versand
ST50 ST70 Z50
39,90 EUR
inkl. MwSt. zzgl. Versand
Dax ST50 ST70 CT70 AB23
Dichtring Kabelbaum, groß

Dax ST50 ST70 CT70 AB23

5,50 EUR
inkl. MwSt. zzgl. Versand
Universal
15,90 EUR
inkl. MwSt. zzgl. Versand
Universal Tuning Luftfilter
45° Power Luftfilter 35mm
Universal Tuning Luftfilter
14,50 EUR
inkl. MwSt. zzgl. Versand
Ihr Warenkorb
Ihr Merkzettel
Kundenanmeldung